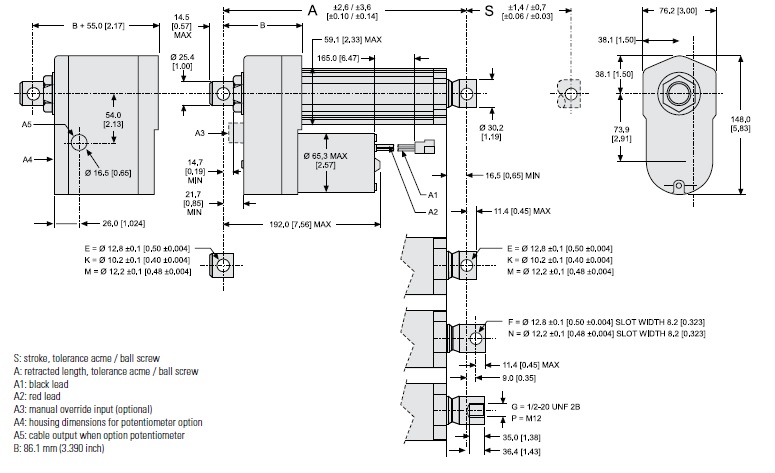
Thomson Electrak® LA14 Linear Actuator (ILA)
Thomson offers a proven LA14 DC actuator There are lakhs of installations worldwide. IP 65 is standard. There is a manual override option, the POT feedback option. 12 v dc/ 24 v dc option as well . The linear actuator is made in Sweden. It has a Stainless steel extension tube, a Self-locking acme screw drive system, Overload clutch built-in for mid and end of stroke protection. The motor has a thermal switch.
Variant Image

Variant Diagram

Selection Parameters
| Parameters | Min | Max |
|---|---|---|
| Available Input Voltages | 12 Vdc | 36 Vdc |
| Dynamic Load | 1100 N | 6800 N |
| Static Load | - | 18000 N |
| Speed @ no Load/Max. load | - | 61/37 MM/S |
| Ordering Stroke Length | 20 MM | 600 MM |
| Operating Temperature Limits | -25 °C | 65 °C |
Variant Applications
| Machines / Applications |
|---|
| Lab Automation - Pick & Place |
| Filling Applications |
| Industries |
|---|
| Material Handling Equipment Manufacturer |
| Packaging Equipment Manufacturer |
| Medical Equipment |
| Pneumatic Equipment |
| Office Equipment |
| Assembling Machine Industry |
Thomson Electrak® LA14 Linear Actuator (ILA)
Thomson offers a proven LA14 DC actuator There are lakhs of installations worldwide. IP 65 is standard. There is a manual override option, the POT feedback option. 12 v dc/ 24 v dc option as well . The linear actuator is made in Sweden. It has a Stainless steel extension tube, a Self-locking acme screw drive system, Overload clutch built-in for mid and end of stroke protection. The motor has a thermal switch.
Variant Image
Variant Diagram
Selection Parameters
| Parameters | Min | Max |
|---|---|---|
| Available Input Voltages | 12 Vdc | 36 Vdc |
| Dynamic Load | 1100 N | 6800 N |
| Static Load | - | 18000 N |
| Speed @ no Load/Max. load | - | 61/37 MM/S |
| Ordering Stroke Length | 20 MM | 600 MM |
| Operating Temperature Limits | -25 °C | 65 °C |
Variant Applications
| Machines / Applications |
|---|
| Lab Automation - Pick & Place |
| Filling Applications |
| Industries |
|---|
| Material Handling Equipment Manufacturer |
| Packaging Equipment Manufacturer |
| Medical Equipment |
| Pneumatic Equipment |
| Office Equipment |
| Assembling Machine Industry |

