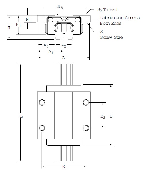
Thomson T-Series Linear Guides
Thomson's T-Series is a lightweight, flexible alternative to all-steel profile rails. This is made from aircraft aluminum alloy with hardened steel load-bearing plates and ball paths. It is an ideal choice for applications requiring reduced weight inertia. This aluminum guidance system uses hardened steel inserts in carriages and rails. It gives a low-weight solution for critical, high-performance applications.
Variant Image

Variant Diagram

Selection Parameters
| Parameters | Min | Max |
|---|---|---|
| Rail Width | 20 mm | 35 mm |
| Rail Length | - | 3000 mm |
| Dynamic Load Rating | 9000 N | 25000 N |
| Static Load Rating | 11000 N | 28000 N |
Variant Applications
| Machines / Applications |
|---|
| Pick and Place Robots |
| Industries |
|---|
| Industrial Automation |
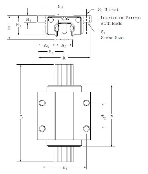
Thomson T-Series Linear Guides
Thomson's T-Series is a lightweight, flexible alternative to all-steel profile rails. This is made from aircraft aluminum alloy with hardened steel load-bearing plates and ball paths. It is an ideal choice for applications requiring reduced weight inertia. This aluminum guidance system uses hardened steel inserts in carriages and rails. It gives a low-weight solution for critical, high-performance applications.
Variant Image
Variant Diagram
Selection Parameters
| Parameters | Min | Max |
|---|---|---|
| Rail Width | 20 mm | 35 mm |
| Rail Length | - | 3000 mm |
| Dynamic Load Rating | 9000 N | 25000 N |
| Static Load Rating | 11000 N | 28000 N |
Variant Applications
| Machines / Applications |
|---|
| Pick and Place Robots |
| Industries |
|---|
| Industrial Automation |

