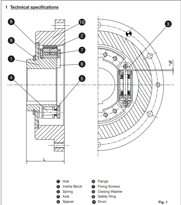
Centrifugle brake | FC-G-C410
This unit is composed of two major parts. The first part is the core, mandatory driving, integral with two fly-weights and return springs. The second part is the drum connected to the driven part (clutch assembly) or to a fixed part (brake assembly).
Centrifugle brake | FC-G-C410
This unit is composed of two major parts. The first part is the core, mandatory driving, integral with two fly-weights and return springs. The second part is the drum connected to the driven part (clutch assembly) or to a fixed part (brake assembly).
Selection Parameters
| Parameters | Min | Max |
|---|---|---|
| Nominal Torque | 50 Nm | 800 Nm |
Industries
| Textile Industry |
| Power Generation Industry |
| Entertainment Industry |
| Construction Industry |

