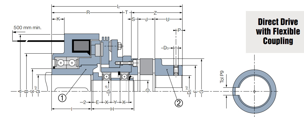
E220 VAR 05 Clutches
The E220 Series VAR 05 is bearing mounted clutch with flexible coupling.
Variant Image

Variant Diagram

Selection Parameters
| Parameters | Min | Max |
|---|---|---|
| Size | 200 | 12800 |
| Torque | 200 | 12800 |
Variant Applications
| Industries |
|---|
| Manufacturing Industry |
| Automation Industry |
| Warehousing and Logistics Industry |
| Aerospace Industry |
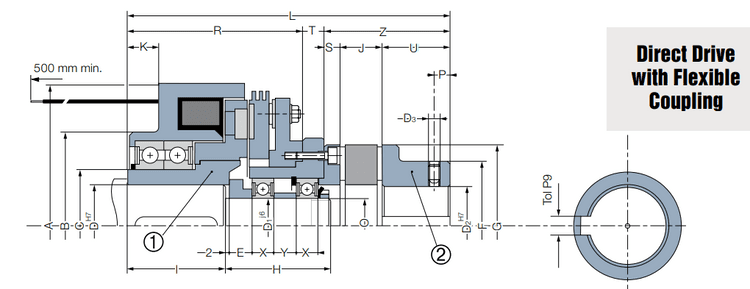
E220 VAR 05 Clutches
The E220 Series VAR 05 is bearing mounted clutch with flexible coupling.
Variant Image
Variant Diagram
Selection Parameters
| Parameters | Min | Max |
|---|---|---|
| Size | 200 | 12800 |
| Torque | 200 | 12800 |
Variant Applications
| Industries |
|---|
| Manufacturing Industry |
| Automation Industry |
| Warehousing and Logistics Industry |
| Aerospace Industry |

