Ball Transfer BAD Type
BAD Flange type ball transfer generally made of aluminium and Stainless Steel. These types of ball transfer are designed to be light in weight and are corrosion resistant.
Variant Image

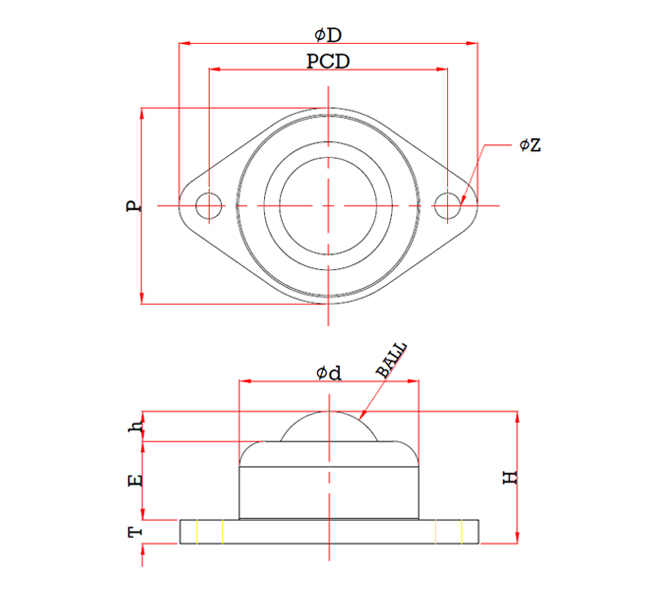
Variant Diagram

Selection Parameters
| Parameters | Min | Max |
|---|---|---|
| Ball Size | 3/4" | 1" |
| Housing Diameter | 33 mm | 42 mm |
| Housing Height | 16.5 mm | 18.5 mm |
| Flange Housing Height | 60 mm | 70 mm |
| Flange Thickness | 3.5 mm | 5.5 mm |
| PCD | 46 mm | 56 mm |
| Overall Height | 25.5 mm | 31 mm |
| Stationary Load | 150 Kg | 200 Kg |
| Working Load | 75 Kg | 100 Kg |
Variant Applications
| Machines / Applications |
|---|
| Assembly Lines |
| Conveyors |
| Storage |
| Material Handling |
| Loading |
| Industries |
|---|
| Packaging Industries |
| Material Handling |
| Aircraft Industry |
Ball Transfer BAD Type
BAD Flange type ball transfer generally made of aluminium and Stainless Steel. These types of ball transfer are designed to be light in weight and are corrosion resistant.
Variant Image
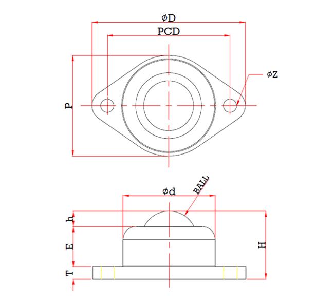
Variant Diagram
Selection Parameters
| Parameters | Min | Max |
|---|---|---|
| Ball Size | 3/4" | 1" |
| Housing Diameter | 33 mm | 42 mm |
| Housing Height | 16.5 mm | 18.5 mm |
| Flange Housing Height | 60 mm | 70 mm |
| Flange Thickness | 3.5 mm | 5.5 mm |
| PCD | 46 mm | 56 mm |
| Overall Height | 25.5 mm | 31 mm |
| Stationary Load | 150 Kg | 200 Kg |
| Working Load | 75 Kg | 100 Kg |
Variant Applications
| Machines / Applications |
|---|
| Assembly Lines |
| Conveyors |
| Storage |
| Material Handling |
| Loading |
| Industries |
|---|
| Packaging Industries |
| Material Handling |
| Aircraft Industry |

